
发卖:19224886408
发卖:17346546283
一技之长:18611287598
网络传真:010-68465926
Q Q:3226344213
企业邮箱:info@wslxc.cn
路线:长沙市海淀区大慧寺八号北区20号楼四层105室

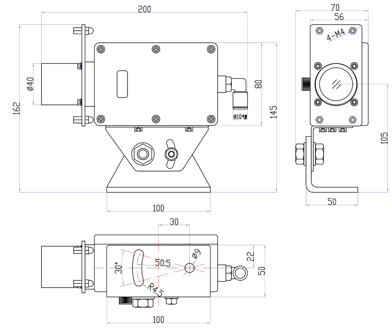
GOLDS-10AL型激光铝水液位计
时候:2025-02-27 20:44

一、概述:
GOLDS-10AL型脉冲光铝水液位计该用于对多种载荷下的铝水液面极度停掉测量。● 开关(guan)量(liang)、摹拟🍨量(liang)电压或电流三种✤旌(jing)旗灯号输入体(ti)例
● 丈量精度<±2mm,分辩率1mm
● 利用白(bai)色可见激光束,丈(zhang)量(liang)规模可达10米
● 四(si)位数(shu)码显现,按(an)键设置参数(shu),易于操纵
● 产业级外壳(qiao),规范快(kuai)插接口(kou),可通紧缩🍸氛围冷(leng)✨却(que)
二、手艺数据:
三、形状尺寸:
四、可选附件:



