
发卖:19224886408
发卖:17346546283
手艺人:18611287598
传真号码:010-68465926
Q Q:3226344213
qq邮件:info@wslxc.cn
时间:广州市海淀区大慧寺16号北区20号楼上105室

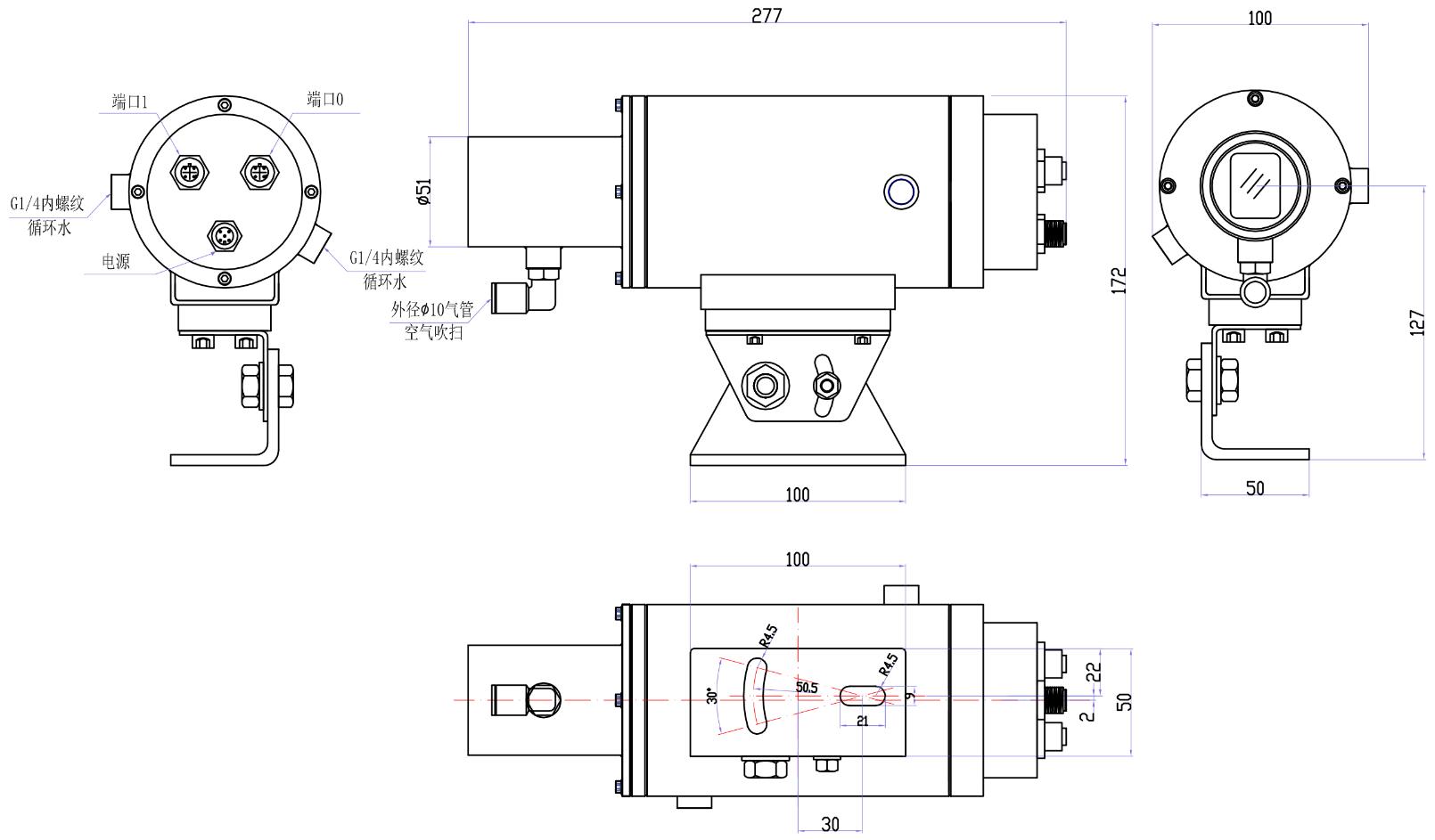
HMLDM-DM20HT-PN型低温激光测距仪
时候:2025-11-22 06:41

一、概述:
HMLDM-DM20HT-PN型常温机光测距仪专门用作常温固态物、透明液体的社会地位、图片尺寸、极高的侧量。依靠过程中 profinet通信网络体例将数据显示传送数据为本位有机体系。● 丈量低温物体,能坚持很高(gao)的丈量精度(du)和靠得(de)住性
● 丈量精度(du)<±1mm,分(fen)辩(bian)率ꦚ0.1mm,反复性&p🌊lusmn;0.5mm
● 利(li)用(yong)白色(se)可见(jian)激光束,丈量规模可达30米
● 规范的profinet接口,矫捷靠得住
● 不锈钢外壳,可通水、气停止冷却
二、手艺数据:
三、形状尺寸:
四、可选附件:



